[麦迪康] 手术部位感染(SSI)和手术衣

  行业     |      2021-11-26 16:52:33


手术部位感染(SSI)始终是困扰外科手术治疗是否成功的一个因素。尽管持续地改进手术部位感染预防控制措施,但手术部位感染依然有较高发生率,据统计SSI占医院感染的15%左右,居医院感染部位的第3位。
而医护人员们在手术期间接触患者血液的比例高达10.4%。如何确保手术室内患者及医护人员的安全,保护医护人员免受血源性病原体的感染?建议医护人员穿戴必要的防备设施,如手术衣, 外科手套,外科口罩。以上这些防护用品能够有效阻隔医护人员、患者携带的细菌微生物,降低手术部位感染(SSI)的几率。

文字偏大正文排版,参数为:15px,#787872,行间距1.8,两端对齐。使用方法:选中当前正在编辑的文字,然后点击样式即可秒刷。

常规正文排版,参数为:14px,#3e3e3e,行间距2.0,页边距10,段前距15px,段后距15px。使用方法:选中当前正在编辑的文字,然后点击样式即可秒刷。

常规正文排版,参数为:14px,#3e3e3e,行间距2.0,页边距10,段前距15px,段后距15px。使用方法:选中当前正在编辑的文字,然后点击样式即可秒刷。

文字偏大正文排版,参数为:15px,#787872,行间距1.8,两端对齐。使用方法:选中当前正在编辑的文字,然后点击样式即可秒刷。




外科手术衣在预防手术部位感染中所起所用





 外科手术衣是建立和维持无菌区域的重要组成部分,无菌外科手术衣在无菌区域和非无菌区域之间形成屏障。

 外科手术衣在患者和“无菌”手术人员以及手术之间提供隔离屏障,通过隔离皮肤表面可能存在的污染物来避免手术切口的感染。

 此外,外科手术衣需要保护医护人员免受微生物的侵袭,这些微生物存在于患者的血液、体液、空气及其他潜在的传染源中。




国内外科手术衣的现状





在中国,大量的手术服是全棉手术服。这是我国医疗机构应用最为广泛的手术衣,虽然具有良好透气性,但是阻隔防护功能比较差。全棉材料容易发生絮状物脱落,使医院每年通风设备的维护费用也会有不小负担。

近几年,聚丙烯纺粘-熔喷-纺粘复合非造布(即SMS或SMMS)手术服在国内开始使用并逐步普及。该材料作为新型复合材料的优质产品,该材料在进行三抗(抗酒精、抗血、抗油)和抗静电、抗菌等处理后还具有高抗静水压能力。SMS非织造布在国内外都得到广泛应用,常用来制作高档手术衣。[1]

[1] 廖晓骏,徐玉霞,曹芳,刘立凡,周俊宏.人性化防护型外科手术衣的设计及应用:医疗装备,2018,31(01):43-45




外科手术衣的标准


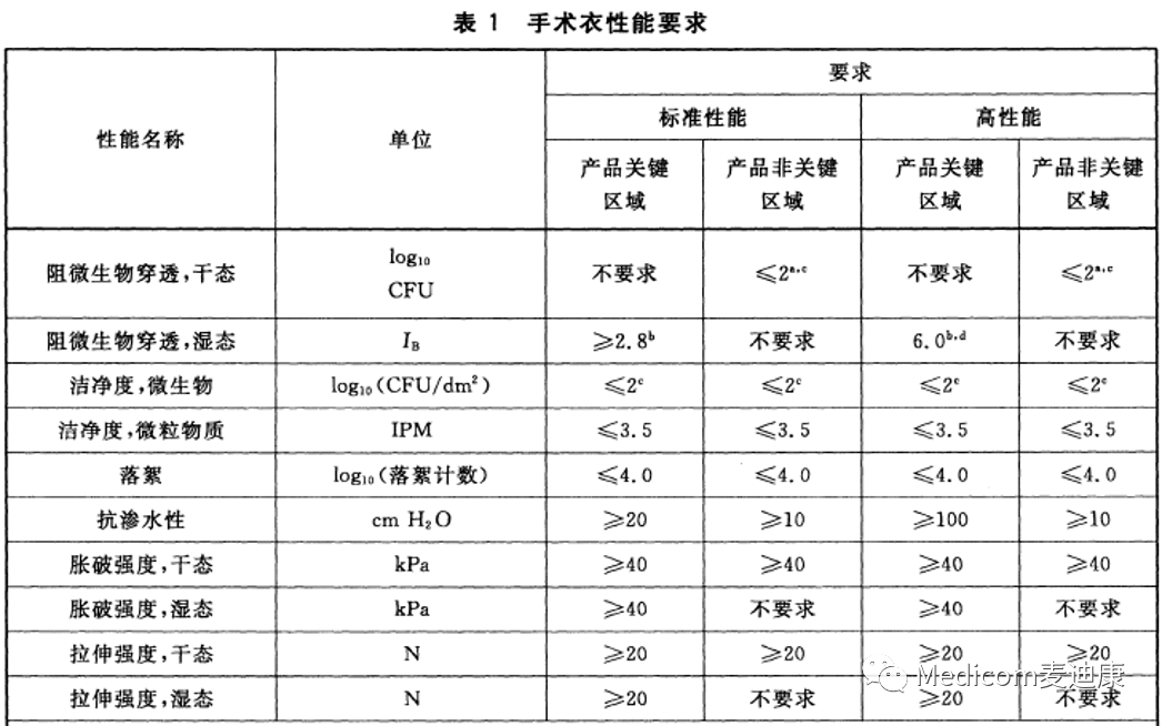
目前国内手术衣需要符合YY/T 0506.2-2009的性能要求


以美国为例,依据美国医疗器材促进会(AAMI)将手术衣材料的防护性能分为四级



麦迪康外科手术衣产品介绍





Medicom设计研发的外科手术服采用了SMS非织造布作为主要材料,同时满足国内YY/T 0506.2-2009的性能要求以及美国AAMI标准,可根据不同使用场景,为我国的医护人员量身打造了多个系列外科手术衣产品。


基础型手术衣

•  符合YY/T 0506.2-2009要求,并同时达到AAMI L2等级


标准型手术衣

•  符合YY/T 0506.2-2009要求,并同时达到AAMI L3等级

后续Medicom还将继续推出适合不同使用场景和防护等级的手术衣产品。



麦迪康手术衣优势



Medicom

Pride in Protection!